MQP圓盤氣流粉碎機
山東摩泉粉體技術設備有限公司是一家專業從事粉體工程行業各類超微粉碎機、超細分級機、中藥粉碎機、氣流粉碎機、氣流磨、氣流分級機、粉體改性機、粉體打散機、粉體混合機、無塵自動拆包機、管鏈式輸送機及各種輸送設備配料系統等設備的經營。
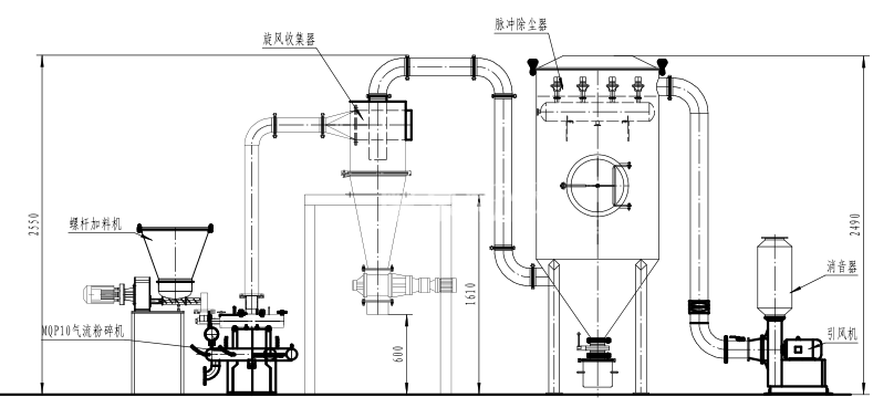
設備工作原理
將高壓縮空氣經過冷卻、過濾、干燥后,經由噴嘴將高壓縮空氣高速噴射出去,進入旋轉粉碎室內,使物料逐漸成為顆粒狀。并在旋轉粉碎室內與多個高速壓縮空氣噴嘴所噴出的壓縮空氣進行碰撞、摩擦、剪切、碾碎形成具有非常細小結構形態的超細粉碎粉末。被粉碎的粉末會順著上升的氣流運送到精細分級區內,在精細分級區經過氣流粉碎機精細分類成為幾個類別的大小不同的粗細不一的幾個粉末類別。并將經過凈化、篩選的粉末從物料排出口派出。
設備優勢
●適合于莫氏硬度9以下的各種物料的干法粉碎,尤其適合于高硬度、高純度和高附加值物料的粉碎。
●產品粒度D97:2-150微米之間可調,粒形好,粒度分布窄。
●低溫無介質粉碎,尤其適合于熱敏性、低熔點、含糖份及揮發性物料的粉碎。
●粉碎過程依靠物料自身之間的碰撞來完成,有別于機械粉碎依靠刀片或錘頭等對物料的沖擊粉碎,因而設備耐磨損,產品純度高。
●可與多級分級機串聯使用,一次生產多個粒度段的產品。
●設備拆裝清洗方便,內壁光滑無死角。
●整套系統密閉粉碎,粉塵少,噪音低,生產過程清潔環保。
●控制系統采用程序控制,操作簡便。
設備參數
參數/規格 | MQP03 | MQP06 | MQP10 | MQP20 | MQP40 | MQP60 | MQP80 |
入料粒度mm | <5 | <5 | <5 | <5 | <5 | <5 | <5 |
產品粒度d97:um | 8~150 | 8~150 | 8~150 | 8~150 | 10~150 | 10~150 | 10~150 |
生產能力kg/h | 5~100 | 10~200 | 20~400 | 50~800 | 150~1500 | 300~2000 | 400~6000 |
空氣耗量m3/min | 3 | 6 | 10 | 20 | 40 | 60 | 80 |
空氣壓力Mpa | 0.7~0.85 | 0.7~0.85 | 0.7~0.85 | 0.7~0.85 | 0.7~0.85 | 0.7~0.85 | 0.7~0.85 |
裝機功率kw | 26~37 | 47~68 | 68~106 | 145~184 | 276~310 | 402~427 | 520~600 |
注:生產能力與原料的粒度、比重、硬度、水分等指標密切相關,以上僅供選型參考。


